焊錫膏金脆化問題_深圳市福英達

焊錫膏金脆化問題_深圳市福英達
金的導電性優秀,因此在一些錫膏中會加入金元素,也會將金鍍在PCB和元件引腳上。金能在高濕度和高溫的情況下會發揮良好的作用,并且對于高循環次數(取決于鍍層厚度)來說非常有用。當然金也存在一些問題。金通常是電鍍產品中成本最高的選擇。如果金鍍層太薄,則容易造成多孔洞問題。如果鍍金太厚,則焊點可能出現金脆化并導致機械強度下降。
當焊點中金含量達到一定比例,錫金間合金會以AuSn4和AuSn2形態存在。AuSn4和AuSn2呈現脆性,在大量生成后容易導致焊點失效。在經過很多實驗驗證后,業內發現當焊料中金含量小于3%時,焊點老化后進行剪切呈現韌性斷裂。而當焊料中金含量占到總質量的3%以上就會導致金脆化出現。因此,業界一般要求焊點中的金含量不得超過3%。一般認為PCB或元件引腳鍍金層厚度小于0.1μm時影響可以忽略。沉金,鍍金器件要求金層保護內部金屬不被氧化,如果金層厚度不足則保護力不足,但金層過厚又會導致金脆。
案例歷史
案例一:SMT組件從PCBA上脫落。檢查SEM中的斷裂表面后發現焊點有著大量空洞,且空洞中含有一些殘留的助焊劑(圖1)。仔細檢查發現薄的Au-Sn金屬間片狀物(約0.1-0.2微米)廣泛分布在斷裂表面和空洞的表面。
圖1. 失效連接器焊點的SEM圖 (嚴重空洞)。
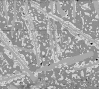
案例二:使用EDS測量了一個錫鉛中溫錫膏焊點中的金含量,發現存在10wt%的金。Au-Sn金屬間化合物的面積分數占據了整個測量面積的28%(圖2)。受試焊點中的金含量約為金脆化可接受極限的3倍。
圖2. 焊點微觀結構,深灰區域: Sn; 淺灰區域: Pb; 中等灰區域: Au-Sn。
金脆化解決方法
解決金脆化的方法之一是搪錫。搪錫能夠將元件引腳進行提前潤濕。搪錫的目的是將元件引腳表面氧化物和異物沖洗干凈,確保引腳焊錫性。防止金脆化的最簡單方法是避免在元件引腳留下金成分。搪錫能起到除去金的目的。除金搪錫需要用到一個小錫爐將元件引腳金層沖洗掉,然后再在一個錫槽內完成搪錫過程。搪錫時需要引腳在錫槽內存在相對熔融焊錫的運動。
深圳市福英達的無鉛中溫錫膏不含金元素,能夠很好的避免焊點發生金脆化。中溫錫膏如SAC305熔點217℃,能夠用于多次回流的首次回流,且焊點強度優秀。

返回列表